English
Español
Português
русский
Français
日本語
Deutsch
tiếng Việt
Italiano
Nederlands
ภาษาไทย
Polski
한국어
Svenska
magyar
Malay
বাংলা ভাষার
Dansk
Suomi
हिन्दी
Pilipino
Türkçe
Gaeilge
العربية
Indonesia
Norsk
تمل
český
ελληνικά
український
Javanese
فارسی
தமிழ்
తెలుగు
नेपाली
Burmese
български
ລາວ
Latine
Қазақша
Euskal
Azərbaycan
Slovenský jazyk
Македонски
Lietuvos
Eesti Keel
Română
Slovenski
मराठी
Srpski језик
தயாரிப்பு அம்சங்கள்
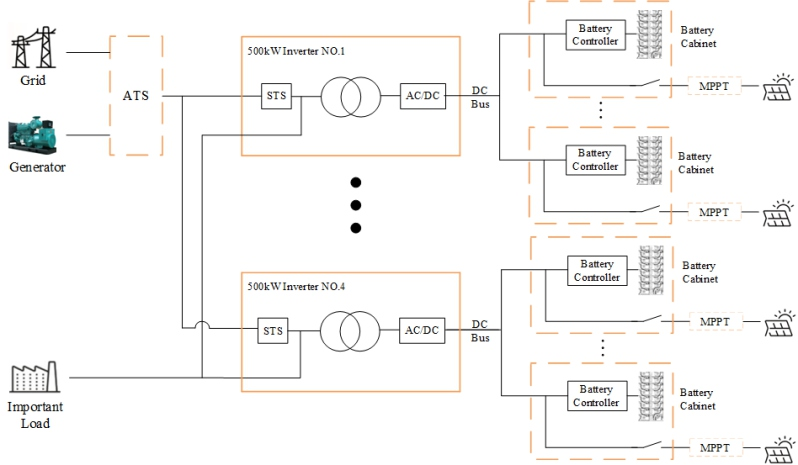
1.500 kW க்கும் அதிகமான சுமைகள், ஒரு பெரிய-திறன் 500 kW ஒற்றை-அலகு ஆற்றல் சேமிப்பு இன்வெர்ட்டரைப் பயன்படுத்த பரிந்துரைக்கப்படுகிறது, இவை நான்கு செட் இணை இணைப்புகளை ஆதரிக்கும் திறன் கொண்டவை, மொத்த மின் உற்பத்தி 2 MW;
2.பல்வேறு 500 kW சிஸ்டங்களை இணையாக இயக்கும் போது மற்றும் STS முழுவதும் வெவ்வேறு 500 kW இன்வெர்ட்டர்களை விநியோகிக்கும் போது, கிரிட் டை-பாயிண்டிலிருந்து லோட் டை-பாயிண்ட் வரையிலான கேபிள் நீளம் சீரானதாக இருப்பதை உறுதி செய்வது மிகவும் முக்கியம்.
3.ஹைப்ரிட் ESS ஆனது DC-இணைந்த ஒளிமின்னழுத்த ஒருங்கிணைப்பைப் பயன்படுத்துகிறது, அதிக ஆற்றல் மாற்றும் திறனை அடைகிறது மற்றும் சுமை தேவைக்கு அதிகமான PV உற்பத்தி திறன் கொண்ட ஆஃப்-கிரிட் காட்சிகளுக்கு உகந்ததாக உள்ளது; வெளிப்புற மதிப்பிடப்பட்ட MPPT
கட்டுப்படுத்திகள் இணைப்பான் மற்றும் MPPT செயல்பாடுகளை ஒரு கடினமான உறைக்குள் ஒருங்கிணைக்கிறது. முழுமையான அமைப்பில் டீசல் ஜெனரேட்டர் ATS விருப்பம், 300kW ஹைப்ரிட் இன்வெர்ட்டர், PV MPPT கன்ட்ரோலர் மற்றும் பேட்டரி ஆகியவை அடங்கும்.
ஆற்றல் சேமிப்பு அமைப்பு.


விவரக்குறிப்பு
| மாதிரிகள் | P500TS-400-A | |
|
DC-பக்க அளவுருக்கள் |
மின்னழுத்த வரம்பு | 500-950V |
| அதிகபட்ச மின்னோட்டம் | 1128A | |
| மதிப்பிடப்பட்ட வெளியீட்டு சக்தி | 500கிலோவாட் | |
|
ஏசி-பக்க அளவுருக்கள் (கட்டம் இணைக்கப்பட்டுள்ளது) |
அதிகபட்ச வெளியீட்டு சக்தி | 550கிலோவாட் |
| மதிப்பிடப்பட்ட வெளியீட்டு மின்னோட்டம் | 722A | |
| THDi | <3% | |
| கட்டம் வகை | 3W+N+PE | |
| மின்னழுத்த வரம்பு | 360VAC~440VAC | |
| அதிர்வெண் வரம்பு | 45~55Hz/55~65Hz | |
| சக்தி காரணி | -1~1 | |
| மதிப்பிடப்பட்ட வெளியீட்டு சக்தி | 500கிலோவாட் | |
|
AC பக்க அளவுருக்கள் (ஆஃப்-கிரிட்) |
மதிப்பிடப்பட்ட வெளியீட்டு மின்னழுத்தம் | 400V |
| மதிப்பிடப்பட்ட வெளியீட்டு அதிர்வெண் | 50/60Hz | |
| THDu | <1% நேரியல் சுமை, <5% நேரியல் அல்லாத சுமை | |
| அதிக சுமை திறன் | 110% 10 நிமிடங்கள் | |
| பராமரிப்பு பைபாஸ் சுவிட்ச் | 1250A | |
|
ஆஃப்-கிரிட் சுவிட்ச் மற்றும் சுவிட்ச் கட்டமைப்பு |
DC சுவிட்ச் | 1250A |
| ஏற்ற சுவிட்ச் | 1250A | |
| கட்டம் சுவிட்ச் | 1250A | |
| STS அலகு | 1155A/800kW | |
| நேரம் மாறுகிறது | <20மி.வி | |
|
அமைப்புகள் அளவுருக்கள் |
உச்சத்திறன் | 97.5% |
| இயக்க வெப்பநிலை | -30℃55℃ (40℃க்கு மேல் குறைகிறது) | |
| உறவினர் ஈரப்பதம் | 0 முதல் 95% RH வரை, ஒடுக்கம் அல்ல | |
| பரிமாணங்கள்(L*D*H) | 1600×1050×2050மிமீ | |
| எடை | 2700 கிலோ | |
| ஐபிகிரேடு | IP21 IP21(முழுமையான இயந்திரம்) | |
| சத்தம் | <70dB | |
| காட்சி திரை | எல்சிடி | |
| BMS தொடர்பு | முடியும் | |
| ஈஎம்எஸ் தொடர்பு | TCP/IP | |