தயாரிப்புகள்
நடுத்தர கலப்பின அமைப்பு

நடுத்தர கலப்பின அமைப்பு

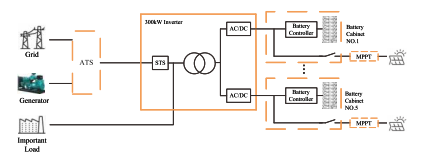
ஆன்-கிரிட் மற்றும் ஆஃப்-கிரிட் ஆற்றல் சேமிப்பு அமைப்பு ஒளிமின்னழுத்த (PV) மின் உற்பத்தி, ஆற்றல் சேமிப்பு மற்றும் அறிவார்ந்த கட்டுப்பாடு ஆகியவற்றை ஒருங்கிணைக்கிறது. இது கிரிட்-இணைக்கப்பட்ட மற்றும் தனித்து இயங்கும் இரண்டு முறைகளிலும் இயங்கக்கூடியது, இது தொடர்ச்சியான மற்றும் நிலையான மின்சார விநியோகத்தை உறுதி செய்கிறது.

விசாரணையை அனுப்பு

தயாரிப்பு விளக்கம்


அம்சம்

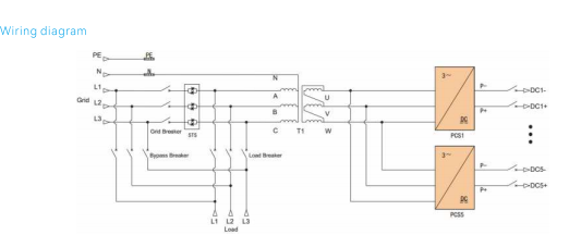
கணினி மட்டு இன்வெர்ட்டர் அலகுகளை இணையான கட்டமைப்பில் பயன்படுத்துகிறது

ஒவ்வொரு இன்வெர்ட்டர் தொகுதியின் DC உள்ளீடும் ஒரு பிரத்யேக பேட்டரி அலமாரிக்கு ஒத்திருக்கிறது,

இடையே சுற்றும் நீரோட்டங்களை அகற்றுவதற்கு ஒரு கிளஸ்டர் நிர்வாகத்தை செயல்படுத்துகிறது

பேட்டரி சரங்கள்.

AC/DC பவர் மாட்யூல்கள் அளவு மற்றும் இரண்டிலும் நெகிழ்வான வரிசைப்படுத்தலை ஆதரிக்கின்றன

ஆற்றல் மதிப்பீடு, 5-யூனிட் இணையில் அதிகபட்ச திறன் 60kW தொகுதிகள்

கட்டமைப்பு.

பவர் மாட்யூல்களில் இருந்து ஏசி வெளியீடு மின்மாற்றி மூலம் வழங்கப்படுகிறது

தனிமைப்படுத்தப்பட்ட வெளியீட்டு நிலை, வலுவான எதிர்ப்புடன் சுமைக்கு மின்சாரம் வழங்குகிறது

தற்போதைய அதிர்ச்சி.

ஹைப்ரிட் ESS ஆனது DC-இணைந்த ஒளிமின்னழுத்த ஒருங்கிணைப்பைப் பயன்படுத்துகிறது, உயர்நிலையை அடைகிறது

ஆற்றல் மாற்றும் திறன் மற்றும் PV உடன் ஆஃப்-கிரிட் காட்சிகளுக்கு உகந்ததாக உள்ளது

சுமை தேவைக்கு அதிகமாக உற்பத்தி திறன்; வெளிப்புற மதிப்பிடப்பட்ட MPPT கட்டுப்படுத்திகள்

ஒருங்கிணைந்த மற்றும் MPPT செயல்பாடுகளை ஒரு கடினமான உறைக்குள் ஒருங்கிணைக்கவும்.

முழுமையான அமைப்பில் டீசல் ஜெனரேட்டர் ATS விருப்பம், 300kW ஹைப்ரிட் ஆகியவை அடங்கும்

இன்வெர்ட்டர், PV MPPT கட்டுப்படுத்தி மற்றும் ஒரு பேட்டரி ஆற்றல் சேமிப்பு அமைப்பு.



அம்சம்

கணினி மட்டு இன்வெர்ட்டர் அலகுகளை இணையான கட்டமைப்பில் பயன்படுத்துகிறது

ஒவ்வொரு இன்வெர்ட்டர் தொகுதியின் DC உள்ளீடும் ஒரு பிரத்யேக பேட்டரி அலமாரிக்கு ஒத்திருக்கிறது,

இடையே சுற்றும் நீரோட்டங்களை அகற்றுவதற்கு ஒரு கிளஸ்டர் நிர்வாகத்தை செயல்படுத்துகிறது

பேட்டரி சரங்கள்.

AC/DC பவர் மாட்யூல்கள் அளவு மற்றும் இரண்டிலும் நெகிழ்வான வரிசைப்படுத்தலை ஆதரிக்கின்றன

ஆற்றல் மதிப்பீடு, 5-யூனிட் இணையில் அதிகபட்ச திறன் 60kW தொகுதிகள்

கட்டமைப்பு.

பவர் மாட்யூல்களில் இருந்து ஏசி வெளியீடு மின்மாற்றி மூலம் வழங்கப்படுகிறது

தனிமைப்படுத்தப்பட்ட வெளியீட்டு நிலை, வலுவான எதிர்ப்புடன் சுமைக்கு மின்சாரம் வழங்குகிறது

தற்போதைய அதிர்ச்சி.

ஹைப்ரிட் ESS ஆனது DC-இணைந்த ஒளிமின்னழுத்த ஒருங்கிணைப்பைப் பயன்படுத்துகிறது, உயர்நிலையை அடைகிறது

ஆற்றல் மாற்றும் திறன் மற்றும் PV உடன் ஆஃப்-கிரிட் காட்சிகளுக்கு உகந்ததாக உள்ளது

சுமை தேவைக்கு அதிகமாக உற்பத்தி திறன்; வெளிப்புற மதிப்பிடப்பட்ட MPPT கட்டுப்படுத்திகள்

ஒருங்கிணைந்த மற்றும் MPPT செயல்பாடுகளை ஒரு கடினமான உறைக்குள் ஒருங்கிணைக்கவும்.

முழுமையான அமைப்பில் டீசல் ஜெனரேட்டர் ATS விருப்பம், 300kW ஹைப்ரிட் ஆகியவை அடங்கும்

இன்வெர்ட்டர், PV MPPT கட்டுப்படுத்தி மற்றும் ஒரு பேட்டரி ஆற்றல் சேமிப்பு அமைப்பு.









விவரக்குறிப்புகள்

மாதிரிகள் P200TS-400-A P250TS-400-A P300TS-400-A

DC-பக்க அளவுருக்கள்
மின்னழுத்த வரம்பு 650-950Vdc
ஒவ்வொரு தொகுதி உள்ளீடு சுவிட்ச் 250A
DC சேனல்களின் எண்ணிக்கை 3 வழி 4 வழி 5 வழி

ஏசி-பக்க அளவுருக்கள்
(கட்டம் இணைக்கப்பட்டுள்ளது)
மதிப்பிடப்பட்ட வெளியீட்டு சக்தி 200கிலோவாட் 250கிலோவாட் 300கிலோவாட்
அதிகபட்ச வெளியீட்டு சக்தி 220கிலோவாட் 275கிலோவாட் 330கிலோவாட்
மதிப்பிடப்பட்ட வெளியீட்டு மின்னோட்டம் 289A 361A 433A
THDi <3%
கட்டம் வகை 3W+N+PE
மின்னழுத்த வரம்பு 360Vac~440Vac
அதிர்வெண் வரம்பு 45~55Hz/55~65Hz
சக்தி காரணி -1~1

தீவுக்கூட்டம்
ஏசி பக்க அளவுருக்கள்
மதிப்பிடப்பட்ட வெளியீட்டு சக்தி 200கிலோவாட் 250kW                300kW
மதிப்பிடப்பட்ட வெளியீட்டு மின்னழுத்தம் 400Vac
மதிப்பிடப்பட்ட வெளியீட்டு அதிர்வெண் 50/60Hz
THDu <1% நேரியல், <5% நேரியல் <1% நேரியல், <5% நேரியல்
அதிக சுமை திறன் 10 நிமிடங்களுக்கு 110% ஓவர்லோட் 10 நிமிடங்களுக்கு 110%

கட்டம்-தீவு
பரிமாற்றம் மற்றும் சுவிட்ச் கியர்
பராமரிப்பு பைபாஸ் சுவிட்ச் 400A 630A
கட்டம் சுவிட்சுகள் 630A 800A
சுவிட்சுகளை ஏற்றவும் 400A 630A
STS அலகு 577A/400kW 722A/500kW
நேரம் மாறுகிறது <20மி.வி

அமைப்புகள் அளவுருக்கள்
உச்ச செயல்திறன் 97.5%
இயக்க வெப்பநிலை -30~55℃-30~55℃(40℃க்கு மேல் மதிப்பு)
உறவினர் ஈரப்பதம் 0~95%RH,0~95%RH,ஒடுக்காதது
பரிமாணங்கள்(L*D*H) 1300×1050×2050மிமீ
எடை 1400 கிலோ 1700கிலோ           1800கிலோ
ஐபிகிரேடு IP21 IP21(முழு தொகுப்பு)
சத்தம் <70dB
காட்சி திரை எல்சிடி தொடுதிரை
BMS தொடர்பு முடியும்
ஈஎம்எஸ் தொடர்பு TCP/IP


சூடான குறிச்சொற்கள்: நடுத்தர கலப்பின அமைப்பு
விசாரணையை அனுப்பு
தயவுசெய்து உங்கள் விசாரணையை கீழே உள்ள படிவத்தில் கொடுக்க தயங்க வேண்டாம். நாங்கள் உங்களுக்கு 24 மணி நேரத்தில் பதிலளிப்போம்.
X
உங்களுக்கு சிறந்த உலாவல் அனுபவத்தை வழங்கவும், தள போக்குவரத்தை பகுப்பாய்வு செய்யவும் மற்றும் உள்ளடக்கத்தைத் தனிப்பயனாக்கவும் நாங்கள் குக்கீகளைப் பயன்படுத்துகிறோம். இந்தத் தளத்தைப் பயன்படுத்துவதன் மூலம், எங்கள் குக்கீகளைப் பயன்படுத்துவதை ஒப்புக்கொள்கிறீர்கள். தனியுரிமைக் கொள்கை