English
Español
Português
русский
Français
日本語
Deutsch
tiếng Việt
Italiano
Nederlands
ภาษาไทย
Polski
한국어
Svenska
magyar
Malay
বাংলা ভাষার
Dansk
Suomi
हिन्दी
Pilipino
Türkçe
Gaeilge
العربية
Indonesia
Norsk
تمل
český
ελληνικά
український
Javanese
فارسی
தமிழ்
తెలుగు
नेपाली
Burmese
български
ລາວ
Latine
Қазақша
Euskal
Azərbaycan
Slovenský jazyk
Македонски
Lietuvos
Eesti Keel
Română
Slovenski
मराठी
Srpski језик
தயாரிப்பு அம்சம்es
1, DC உருவாக்கம் மற்றும் DC சேமிப்பு, அதிக செயல்திறன் மற்றும் குறைந்த இழப்பு, இது PVக்கு ஏற்றது மற்றும் சேமிப்பு சக்தி அதிகமாக உள்ளது
லோட் பவர் ஆஃப்-கிரிட் காட்சிகளை விட;
2, IP65 பாதுகாப்பு, வெளிப்புற பயன்பாட்டை சந்திக்கும். அருகில் உள்ள MPPT ஒருங்கிணைப்பு வெளியீட்டை அதிகரிக்கிறது, இது வயரிங் தடுக்க உதவுகிறது
பல ஒளிமின்னழுத்த (PV) கேபிள்கள் நீண்ட தூரத்திற்கு ஆல் இன் ஒன் சிஸ்டத்திற்கு அனுப்பப்படுவதால் ஏற்படும் குழப்பம்.
3, 200-900V பரந்த மின்னழுத்த வரம்பு ஒளிமின்னழுத்த உள்ளீடு, தொழில்துறையின் உயர்-தற்போதைய ஒளிமின்னழுத்த தொகுதி அணுகலை ஆதரிக்கிறது.
4, மல்டி-சேனல் MPPT, PV பேனல் மல்டி-ஆங்கிள் சந்திப்பு
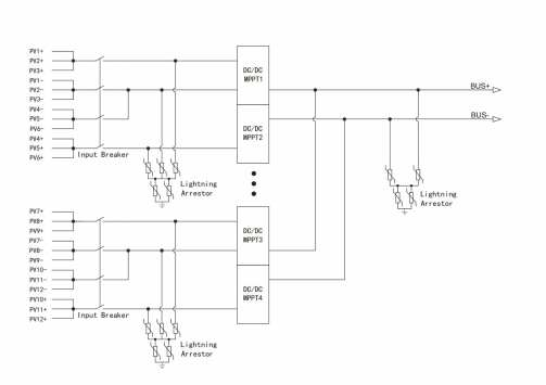
வயரிங் வரைபடம்

விவரக்குறிப்பு
| மாதிரிகள் | MPPT-8 | MPPT-6 | MPPT-12 | |
| PV-பக்க இடைமுகம் அளவுருக்கள் |
அதிகபட்ச PV வரிசை மின்னழுத்தம் | 900V | ||
| MPPT மின்னழுத்த வரம்பு | 200V-900V | |||
| மதிப்பிடப்பட்ட MPPT மின்னழுத்த வரம்பு | 560V-900V | |||
| அதிகபட்ச கிளை மின்னோட்டம் | 24A | 20A | ||
| PV உள்ளீடு சரங்களின் எண் | 8 | 6 | 12 | |
| MPPT இன் எண்ணிக்கை | 8 | 2 | 4 | |
| ஒரு MPPTக்கு நடப்பு | 20A | 55A | ||
| வெளியீட்டு அளவுருக்கள் | மின்னழுத்த வரம்பு | 600-950V | ||
| மதிப்பிடப்பட்ட மின்னழுத்தம் | இயல்புநிலை 716.8V, அனுசரிப்பு | |||
| மதிப்பிடப்பட்ட வெளியீட்டு மின்னோட்டம் | 118A | 84A | 168A | |
| மதிப்பிடப்பட்ட வெளியீட்டு சக்தி | 84கிலோவாட் | 60கிலோவாட் | 120கிலோவாட் | |
| அதிகபட்ச வெளியீட்டு மின்னோட்டம் | 192A | 120A | 240A | |
| கணினி அளவுருக்கள் | EUe ciency | 99.4% | ||
| iP தரம் | IP65 | |||
| குளிரூட்டும் கருத்து | இயற்கை வெப்பச்சலனம் | கட்டாய காற்று குளிரூட்டல் | ||
| பரிமாணங்கள்(W*D*H) | 550x530x280 மிமீ | 630×460×260மிமீ | 630×460×260மிமீ | |
| எடை | 42 கிலோ | 25 கிலோ | 30 கிலோ | |
| இயக்க வெப்பநிலை | -30-55℃ | |||
| பவர் சப்ளை முறைகள் | சுயமாக இயங்கும் (இரவில் மின்சாரம் இல்லாமல்) | |||
| தொடர்பு இடைமுகம் | RS485 | |||
